02-Microstrip Bend (¸¶ÀÌÅ©·Î½ºÆ®¸³ º¥µå)
I. Theory
¤· Àü¼Û¼±ÀÇ 90¡Æ º¥µå
- PCB layout ¼³°è½Ã 90¡Æ º¥µå ÀÚÁÖ »ç¿ë

Figure: Microwave PCB layout [www.x-microwave.com]

Figure: Microwave PCB before mounting and soldering of components
[www.saturnpcb.com]

Figure: Microwave multi-chip module in wire bond assembly [General
Electronics Devices]
¤· 90¡Æ º¥µåÀÇ º¸»ó
- º¥µåÀÇ ¸ð¼¸® Á¦°Å(mitering, chamfering)¸¦ ÅëÇØ º¥µå¿¡¼ÀÇ ¹Ý»ç °¨¼Ò
- º¸»ó Á¤µµ´Â ¼±·ÎÀÇ Æø¿¡ µû¶ó ´Ù¸£´Ù.
- 50¥Ø ¼±·ÎÀÇ °æ¿ì ¾Æ·¡ ±×¸² (c)¿¡¼¿Í °°ÀÌ º¥µå Å׵θ® ±æÀ̰¡ ¼±·ÎÆøÀÇ 1.8¹èÀÎ °æ¿ì°¡ ÃÖÀû
- ¼±·ÎÆøÀÌ ÀÛÀ»¼ö·Ï ¸ð¼¸® Á¦°Å·®ÀÌ ÀÛ´Ù.

- º¥µåÀÇ Ã¨ÆÛ·®

¿Â¶óÀÎ °è»ê±â: everythingRF, https://www.everythingrf.com/rf-calculators/microstrip-mitred-bend-calculator
1 mil =
1/1000" = 24.5mm/1000 = 0.0254mm
¤· ¸ð¼¸®°¡ Á¦°ÅµÈ º¥µå Çü»ó¸¸µé±â

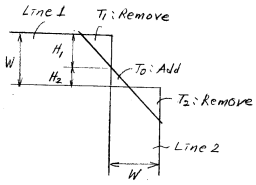
1. Line 1°ú Line 2¸¦ ¸¸µç´Ù.
2. º¥µåÀÇ Ã¨ÆÛ·®ÀÌ ÁÖ¾îÁø °æ¿ì ´ÙÀ½ ½ÄÀ¸·ÎºÎÅÍ H1, H2¸¦ ±¸ÇÑ´Ù.
![]()
3. Á÷°¢ À̵»ï°¢Çü T1, T2´Â Á¦°ÅÇϰí T0´Â Ãß°¡ÇÑ´Ù.
¤· º¥µå µî°¡È¸·Î
- PSpice ȸ·ÎÇØ¼® ½Ã »ç¿ë
- À§»óÀ» ¸ÂÃß¾î¾ß ÇÏ´Â °æ¿ì ±âÁظé(1, 2) »çÀÌÀÇ Àü´Þ°è¼ö À§»ó°ª ÇÊ¿ä
Âü°í¹®Çå: H. J. Visser, "Equivalent length design equations for right-angle microstrip bends", EuCAP
2007

II. Laboratory

Substrate: ¥år = 2.5, Tan¥ä =
0.002, H = 0.787mm, Tmet = 0.035mm

1. ±¸Á¶ »ý¼º
2. S11 ÇØ¼®
3. |S11|(dB)¸¦ 1-11GHz ¹üÀ§¿¡¼ µµ½Ã