전파광파소자
실습-12 광결합기(Optocoupler)
광결합기는 광신호를 이용하여 두 개의 전기회로를 분리하는 부품으로서 입력측 발광 다이오드와 출력측 수광 다이오드를 한 쌍을 밀봉된 부품으로 만든 것이다. 광결합기는 1) 2차측 회로의 고전압이 회로 고장 시 1차 회로에 연결되는 것을 방지, 2) 1차측 회로와 2차측 회로의 잡음이 상호 영향을 주는 것을 방지할 목적으로 사용한다. 광결합기(optocoupler)는 opto-isolator, optocoupler,
photocoupler, optical isolator 등으로도 불린다. 상용 광결합기는 전압 10kV, 전압 변화율 10kV/μs의 성능을 가진다.
I. 실습
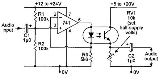
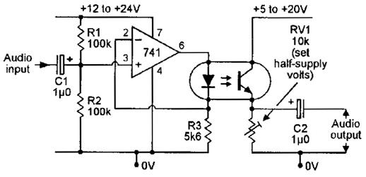
제목: 광결합기를 이용한 오디오 잡음 분리회로
1. 설계
입력단 회로의 잡음이 출력단으로 전달되는 것을 방지하기 위해 광결합기로 2차측 회로에 오디오 신호 전달

Optocoupler:
CEL PS2561, datasheet
1) 1차측 회로 설계

Vcc = +5V
입력 다이오드 동작점: 2mA(bias current), 1.1V (bias voltage)
다이오드 전류: Id
= 2.5/R3 = 2mA → R3
= 1.25kΩ
C1 = 1.0uF의 임피던스: ![]()
f (Hz) |
Z1 | (ohm) <<
(R1||R2) = 50k
10 15.9k not good
100 1.59k good
1k 159 good
10k 15.9 good
So C1 = 1.0uF is OK. Use 1.0uF
100V electrolytic non-polarized crossover capacitor for use in passive speaker
crossover
(참고) 오디오 용으로 비극성(NP, non-polarized) 알루미늄 전해 커패시터: 0.47-3300uF 있음. Cinetech datasheet
Audio
signal current: 0.1mAac = Vaudio/1.25k → Vaudio=0.125Vac
Current
transfer ratio = 200%
2) 2차측 회로설계
Vcc
= 5V
Ic =
4mA (bias current), 0.2mAac (audio)
Vce
= 0.8V
(5-0.8)/RV1
= 0.004, RV1 = 1.05k
Vout
(audio) = 1.05k*0.2mA = 0.21Vac
RL
(audio load) = 100k

2. 실습
아래 회로를 PSpice로 시뮬레이션 하라.

1) 회로도
2) 입력전압 파형
3) 출력전압 파형 (부하저항 100k 전압)
II. 이론
ㅇ 참고자료
R.
Marston, "Optocoupler basics", http://www.nutsvolts.com/magazine/article/optocoupler-circuits
1. 광결합기 기초

그림: 광결합기 회로기호 [Wikipedia, Nuts Volts]

그림: 광결합기 입력전류 대 출력전류 특성 [Nuts Volts]
2. 광결합기의 종류
|
Device type |
Source of light |
Sensor type |
Speed |
Current transfer ratio |
|
Resistive
opto-isolator |
CdS or CdSe photoresistor (LDR) |
Very low |
<100% |
|
|
Low |
||||
|
Low |
||||
|
Diode opto-isolator |
GaAs infrared LED |
Silicon photodiode |
Highest |
0.1–0.2% |
|
Transistor
opto-isolator |
GaAs infrared LED |
Bipolar silicon phototransistor |
Medium |
2–120% |
|
Darlington
phototransistor |
Medium |
100–600% |
||
|
Opto-isolated SCR |
GaAs infrared LED |
Low to medium |
>100% |
|
|
Opto-isolated triac |
GaAs infrared LED |
Low to medium |
Very high |
|
|
Stack of GaAs infrared
LEDs |
Low to high |
Practically unlimited |
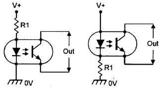
3. 트랜지스터 기반 광결합기
1) 회로 구조

그림: 1) 트랜지스터 광결합기, 2) Darlington optocoupler
ㅇ 트랜지스터 광결합기: 6번 베이스 개방 상태에서 사용. CTR 20%, 300kHz 대역폭. 베이스(6번)와 이미터(4번) 연결시 출력단은 photodiode가 되면 CTR 0.2%, 30MHz 대역폭 특성
ㅇ Darlington optocoupler: CTR 300%, 30kHz 대역폭.

그림: Dual and quad optocouplers

그림: 1) Slotted optocoupler: CTR 10%, bandwidth
300kHz, 2) reflective optocoupler: CTR 0.3%, bandwidth 20kHz, 90% reflectivity,
40mA LED current
2) 트랜지스터 기반 광결합기 특성규격
CTR:
output-to-input current transfer ratio
Isolation
voltage: 입력단자와 출력 단자 사이에 걸릴 수 있는 최대 전압. 500V-4kV
VCE(Max):
출력단 최대 허용전압. 20-80V
IF(Max):
입력단 최대 허용전류. 40-100mA
bandwidth:
광결합기 동작 주파수 대역폭. 20-500kHz
표: Transistor optocoupler 특성

3) 응용회로

그림: 광결합기의 입력전류 제한용 저항 사용 [Nuts Volts]

그림: 광결합기 입력 LED에 과도한 역방향 전압을 억제하기 위한 다이오드 D1의 사용 [Nuts Volts]

그림: 광결합기 출력단 전류 제한을 위한 저항의 사용 [Nuts Volts]

그림: 1) TTL 디지털 신호를 이용한 광결합기 구동, 2) CMOS 디지털 신호를 이용한 광결합기 구동 [Nuts Volts]

그림: 광결합기를 이용한 12V 직류전동기 구동. Computer drive 단자가 5V인 경우 광결합기 출력 트랜지스터가 OFF, Q1과 Q2는 ON, 전동기 ON. Computer drive 단자가 0V인 경우 Q1과 Q2 OFF, 전동기 OFF [Nuts Volts]

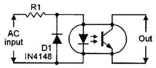
그림: 교류신호로 광결합기를 구동하기 위한 회로 [Nuts Volts]
연산증폭기(LM741)의 비반전 입력핀 Vcc/2 전압이 걸림. 교류 audio input은 decoupling capacity를 통해 3번 핀에 연결된다. 3번 핀의 전압은 직류 Vcc/2에 교류가 더해진 전압이다. 광결합기의 DC 전류는 (Vcc/2)/R3로 주어지며 1-2mA로 설정한다. 광결합기 출력 트랜지스터 이미터에 연결된 RV1 가변저항을 조정하여 이미터 전압이 컬렉터 전압의 1/2이 되도록 한다. 광결합기 입력단 전류가 입력 교류신호에 의해 변조되면 광결합기 출력단 전류가 입력 교류신호에 의해 변조되고 이에 따라 출력 트랜지스터 이미터 전압이 변조되며 이중 교류성분이 C2를 통해 audio output 단자에 나타난다.

그림: 광결합기를 이용한
4. Optocouples SCR and TRIAC
- SCR surge current rating: 5A, 100μs, duty < 1%
- TRIAC surge current rating: 1.2A, 10μs, duty < 10%



그림: 저전력 전등 제어회로

그림: 고전력 전등 제어회로

그림: 유도성 부하(전동기) 제어회로
4. SSR(Solid-State Relay)
ㅇ 릴레이: 전기신호로 스위치를 ON/OFF시키는 부품
ㅇ 기계식 릴레이: 스위치 ON/OFF에 전자석 사용. 동작시 소음 발생
ㅇ 전자식 릴레이:
- 장점: 소형, 소음 미발생, 고속, 장수명, 사용시간과 관계 없이 성능 일정, 스위칭 bounce 없음(접점이 연결되었다 끊겼다 연결되었다 하는 현상), 스파크 미발생(화재 대비 안전), 외부 기계적 환경에 둔감(기계적 충격, 진동, 습도, 자기장)
- 단점: 스위치 ON 시 저항이 더 크고 전기잡음 발생, 스위치 OFF 시 누설 전류(μA
수준) 흐름, 전압-전류 특성 비선형, 일부 스위치는 극성이 있음, 과도 전압에 의한 오동작 가능성, 게이트 충전을 위한 분리된 바이어스 회로 필요, transient recovery 시간이 더 큼, 고장 시 스위치가 ON 됨.

그림: Crydom 반도체 릴레이. 1) D2W203F: 입력 3-15VDC, 출력 240VAC 5A, 2) CWRD2435: 입력 3-32VDC, 출력 120-240VAC, 35A
-
Siemens 사가 optocoupler SSR 시장의 리더: IR LED 입력단, n-채널 MOSFET 출력단. IR LED의 출력은 25개의 photovoltaic diode를 비추면 15V 전압이 발생하여 MOSFET 게이트를 도통시킨다.
Siemens
LH1540AT: six-pin package. output normally open (NO), single-pole switch, 3.75kV
isolation voltage, maximum output voltage 350V, 3 output pins for two output
IGFETs to be used in series for AC operation, or in parallel for DC operation.
input current 5mA, output maximum current 120mA, 25Ω output resistance
for AC operation, 250mA/5Ω DC operation, switching speed 1ms
5. Resistive opto-isolator (RO)

그림: RO의 입력전류 대 출력저항. 녹색 띠: 메모리 효과, 적색 띠: 온도변화, 광커플링 편차 [Wikipedia]
- 다른 명칭: photoresistive opto-isolator, vactrol, analog
opto-isolator, lamp-coupled photocell
- 입력단: LED, 소형 백열등, 네온등
- 출력단: 반도체 기반 광저항, CdSe, CdS
- 출력단 저항이 입력단 전류에 따라 변함: 입력 전류가 0일 경우 출력저항 2-3MΩ,
- 용도: AC relay, voltage divider, 자동제어 회로부품, guitar 증폭기, analog synthesizer, trigger
III. Power Semiconductor
1. TRIAC (triode for alternating current)

그림: 1) TRIAC의 회로 기호. G: 게이트, A1: anode 1 (or main terminal 1, MT1), A2:
anode 2 (or main terminal 2, MT2), 2) 반도체 구조 [Wikipedia]
- 다른 명칭: bidirecitonal triode thyristor, bilateral
triode thyristor
- 게이트에 인가된 작은 제어전압 trigger voltage (양전압 음전압 모두 가능)에 의해 양방향으로 도통되는 반도체형 AC 스위치
- 일단 도통되면 게이트 전압이 제거되어 게이트 전류가 0이라도 AC 전류가 holing current 이하가 되기 전까지 도통
- AC 전압의 특정 위상 시점에서 TRIAC의 게이트에 제어신호를 인가하면 AC 부하에 인가되는 평균전류 제어 가능: 유도전동기 속도제어, 램프 밝기 조절, 전열기 제어
- 동작원리:

그림: TRIAC의 동작원리. 수평축: 게이트 전류, 수직축: AC 전류 [Wikipedia]
- 고려사항
Gate threshold current: IGT.
TRIAC 도통되게 하는 최소 게이트 전류. 2-3mA
Latching current: IL.
TRIAC이 도통된 후 게이트 전류가 제거된 상태에서 TRIAC이 계속 도통되기 위한(latching) 최소의 AC 전류
Holding current: IH.
TRIAC을 도통시키기 위해 게이트에 전류를 인가한 후 제거되면(펄스폭 10-80μs 이상) latching current가 holding current 이상 되어야 도통이 시작된다.
Static dv/dt: TRIAC이 OFF 상태에서 MT2와 MT1 사이에 걸리는 AC 전압 변화율이 충분히 크면 TRIAC을 도통시킬 수 있다.
Critical di/dt: TRIAC이 도통되는 과정에서 MT2와 MT1 사이의 전류 변화율이 과도하면 TRIAC이 손상된다.
Commuting dv/dt and di/dt: TRIAC이 유도성 부하를 스위칭할 때 전류가 holding 값 이하로 떨어지는 순간 유도성 부하에 의해 전압 spike가 발생하여 TRIAC이 도통된다.
Snubber circuit: 유도성 또는 용량성 부하를 스위칭할 경우 큰 값의 dv/dt, di/dt에 반 주기 동안은 TRIAC이 정확히 OFF되도록 해야만 하는 데도 도통이 될 수 있다(false triggering). 이를 방지하기 위해 게이트와 MT1 사이에 병렬로 저항(1kΩ), 커패시터(100nF)를 각각 또는 동시에 연결
- TRIAC의 규격
Gate threshold voltage: 0.7-1.5V
Gate threshold current: 5-50mA
Repititive peak off-state forward voltage: 600-800V
Repititive peak off-state reverse voltage: 600-800V
RMS on-state current: 4-40A
On-state current, non-repititive peak: 100-270A
On-state forwarde voltage: 1.5V
ㅇ Thyristor
그림: Thyristor의 반도체 구조와 회로 기호 [Wikipedia]

그림: Thyristor의 전압-전류 특성 [Wikipedia]
- 반도체형 bistable 스위치: 게이트에 트리거 전류 인가하면 ON. 도통이 계속되려면 양극과 음극 사이의 전압이 순방향이어야 함.
- SiC(silicon carbide) thyristor: 고온용. 주변온도가 최고 350ºC일 때까지 동작
- Reverse conducting thyristor: reverse diode 내장하여 freewheel 다이오드 역할 수행
- Photothyristor: 광신호로 도통 제어

2. DIAC (diode for
alternating current)
- Trigger diode with fixed voltage
reference: conducts electrical current only after its breakover voltage, VBO,
has been reached momentarily.
- 용도
Starting element in flourescent lamp ballasts
Can be used in conjuction with triacs for simplfied gate control
circuit
3. Thyristor
- GTO (gate turn-off thyristor): TRIAC과 유사하지만 게이트 신호에 의해 스위치를 OFF 시킬 수 있다.
4. SCR (silicone controlled rectifier)
IV. 광결합기 응용
1. 전동기 제어

그림: 광결합기를 이용한 PWM DC 전동기의 속도제어 회로 [Northwestern University]
참고문헌
[1]
Vishay, AN-02: Optocouplers and solid-state relays, application examples
[2] California
Eastern Laboratories, AN3005: Modelling phototransistor optocouplers using
PSPICE simulation software
[3]
California Eastern Laboratories, AN3020: A guide to designing with optocouplers
[4]
Vishay, PSPICE model photo