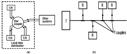
½Ç½À-10 Àû¿Ü¼± Åë½Å(IR Communication)
I. ½Ç½À
- ¾Æ·¡ ¼Û½Åȸ·Î¸¦ PSpice·Î ÇØ¼®

VCC = 5V
MOD = 1kHz, 50%, 5V
R1 = 19.53k for 36kHz
R2 = 1k
R3 = 36.5 for D1 operating with 100mA
@ 1.35V
C1 = 1n
C2 = 47n
D1 = Vishay TSAL6200 ¡æ1N4002·Î ±³Ã¼
Q3 = 2N2222, ½ºÀ§Ä¡·Î µ¿ÀÛ. 555ÀÇ Ãâ·Â ½ÅÈ£°¡ Q3À» ON/OFF
¤· µ¿ÀÛ¿ø¸®
- 555 ŸÀÌ¸Ó 36kHz ÆÞ½ºÆÄÇü ¹ß»ý: 3¹ø ´ÜÀÚ
- µðÁöÅÐ ½ÅÈ£°¡ 36kHz ÆÞ½ºÆÄÇüÀ» ON/OFF: 4¹ø ´ÜÀÚ
- µðÁöÅÐ ½ÅÈ£·Î º¯Á¶µÈ 36kHz ½ÅÈ£´Â Æ®·£Áö½ºÅÍ ½ºÀ§Ä¡ Q3¸¦ ±¸µ¿ÇÏ¿© ´ÙÀÌ¿Àµå(IR ¼Û½Å ´ÙÀÌ¿Àµå TSAL6200À¸·Î ±³Ã¼Çصµ µÊ)¿¡ 555 ŸÀ̸ÓÀÇ Ãâ·ÂÀü¾Ð°ú µ¿ÀÏÇÑ ÆÄÇüÀÇ Àü·ù°¡ È帣°Ô ÇÔ.
- ´ÙÀÌ¿Àµå¿¡ 100mAÀÇ Àü·ù¸¦ È帣°Ô ÇϰíÀÚ ÇϹǷΠ555 ŸÀÌ¸Ó Ãâ·Â »ç¿ë ½Ã Àü·ù°¡ ÃæºÐÇÏÁö ¾ÊÀ½. µû¶ó¼ Æ®·£Áö½ºÅÍ ½ºÀ§Ä¡ »ç¿ë
- º¯Á¶Á֯ļö¿Í ÆÄÇü
![]()
- º¸°í¼ ÀÛ¼º³»¿ë
1) ȸ·Îµµ
2) MOD ½ÅÈ£ÆÄÇü plot
3) ´ÙÀÌ¿Àµå Àü·ùÆÄÇü plot
II. ÀÌ·Ð
Âü°í¹®Çå:
SPIE
Module 1.8, "Fiber optic telecommunication", in Fundamentals of Photonics, SPIE
1. Electromagnetic
Spectrum
Radiowave: 100kHz-300GHz
Infrared: 0.75-1000¥ìm (0.3-405THz). Sun's energy at sea level total 1 kW/m2, 527 W/m2 in IR region
NIR 0.75-3¥ìm
MIR
3-50 ¥ìm
FIR
50-300 ¥ìm
Infrared-A
0.7-1.4 ¥ìm
Infrared-B:
1.4-3.0 ¥ìm
Infrared-C
3.0-1000 ¥ìm
Visible light: 380-740 nm (405-875THz). Sun's energy at sea level total 1 kW/m2, 445 W/m2 in visible spectrum; red 620-740 nm,
orange 590-620 nm, yellow 570-590 nm, green 495-570 nm, cyan 476-495 nm, blue 450-475
nm, violet 380-450 nm.
Ultraviolet: 10-740 nm, Sun's
energy at sea level total 1 kW/m2, 32 W/m2 in UV
region
Ultraviolet C (UVC):
100-280 nm. Sun's UVC hardly reaches the Earth's
surface due to atmospheric absorption. Used in germicidal lamps.
¡¤ Ultraviolet
B (UVB : 280-315 nm. Greatly
absorbed by the atmosphere, and along with UVC is
responsible for the photochemical reaction leading to the
production of the ozone layer.
¡¤ Ultraviolet
A (UVA):
315-400 nm. Traditionally held as less damaging to the DNA, and hence used in tanning
and PUVA
therapy for psoriasis.
X-rays: 0.01-10 nm (120 eV - 120 keV). Artificially produced a vacuum tube (X-ray tube).
Cathode emits electrons into vacuum. Anode collects electrons.
A flow of electrons (electrical current, beam) created in the tube.
High voltage power source (30-150 kV) connected across cathode and
anode to accelerate the electrons. The X-ray spectrum depends on
the anode material and the accelerating voltage.
Soft x-
ray 0.12-10 keV:
Hard x-ray
10-120 keV: can penetrate solids, liquids, all uncompressed gases. Used in diagnostic
radiography and crystallography
Gamma rays: 10-100,000 nm
Cosmic rays: Energetic charged subatomic particles, originating in outer space.
Cosmic rays may broadly be divided into two categories: primary and secondary.
The cosmic rays that originate from astrophysical sources are primary cosmic
rays; these primary cosmic rays interact with interstellar matter creating secondary cosmic
rays. The Sun also emits low energy cosmic rays associated with solar flares.
Almost 90% of cosmic rays are protons, about 9% are helium nuclei (alpha
particles) and nearly 1% are electrons.
2. Infrared Spectrum
Usage
NIR(0.74-1¥ìm):
material = SiO2, telecommunication
SWIR(1-3¥ìm): material = InGaAs, PbS, remote sensing
MWIR(3-5¥ìm): material = InSb, PbSe, PtSi, HgCdTe,
high-temperature thermal imaging (indoors, scientific)
LWIR(8-14¥ìm): material = HgCdTe, ambient temperature imaging
(outdoors, industrial)
VLWIR(14-1000¥ìm): material = spectrometry, astronomy
1) Fiber optic communication

Figure: Optical fiber transmission window [IJAREEIE]

Figure: Optical fiber communication distances [InfoCellar]


Figure: Optical fiber modes for communication
[Ad-Net]

Figure: Types of fibers for optical communication
2) Night Vision
- IR illumination or no illumination,
cooled/uncooled detectors, color/gray-scale image

3) Military imaging and homing/tracking
4) Thermal imaging (industrial/medical)
5) Short-range wireless communication
6) IR spectroscopy
FTIR spectrometer (FT = Fourier transform), mostly
based on absorption. Molecules absorb specific frequencies (resonant
frequencies), where the absorbed radiatio matches
frequencies of the bond or group that vibrates.

7) Radio astronomy (for object obscured by stellar
dusts)
3. IR Atmospheric
Transmission

4. IR Sources
1)
Quantum cascade laser: 4-17 ¥ìm. Mono mode
or tunable frequency. Narrow linewidth. Power up to 300 mW.
Pulsed 0-2 MHz.
2) Fiber-optic communication
LED: 0.85, 1.31¥ìm
Laser: 1.31, 1.55¥ìm

5. IR Detectors
1) Fiber optic detectors



6. Fiber Optic Communication System Design

¤· Dispersion



Modal dispersion
Chromatic dispersion
¤· Digital encoding

¤· Modulation

Direct modulation

External modulation

External modulation with Mach-Zehner
waveguide interferometer
1) Link budget

2) Fiber coupling

3) Wavelength Division Multiplexing (WDM)

EDFA(erbium-doped fiber amplifier)

III. Wireless IR
Communication
1. IR ¸®¸ðÄÁ ¼Û¼ö½Å ȸ·Î
Âü°í: Peter's
DIY electronic projects: http://jap.hu/electronic/
1) IR ¸®¸ðÄÁ µ¿ÀÛ¿ø¸®
-
Carrier Á֯ļö: 32-56kHz·Î IR ´ÙÀÌ¿Àµå º¯Á¶. IR ´ÙÀÌ¿ÀµåÀÇ Àû¿Ü¼±ÀÌ ¼ö½Å ´ÙÀÌ¿Àµå¿¡ ÀÔ»çµÊ.
- 32-56kHz ij¸®¾î Á֯ļö¸¦ 1-4kHz OOK º¯Á¶(MOD ½ÅÈ£). 1-4kbps Àü¼Û¼Óµµ
- IR ¼ö½Å±â ĨÀº carrier Á֯ļö·Î º¯Á¶µÈ ½ÅÈ£ÀÇ ÁøÆø¸¸ °ËÃâÇÏ¿© Ãâ·Â. º¸Åë MOD¸¦ ¹ÝÀüÇÑ µðÁöÅÐ ½ÅÈ£ Ãâ·Â
- IR ¸®¸ðÄÁ ¼Û¼ö½Å ȸ·Î + ÀÎÄÚ´õ, µðÄÚ´õ, MCU ¡æ IR ¸®¸ðÄÁ
(Âü°í) IR ´ÙÀÌ¿Àµå¸¦ 32-56kHz·Î º¯Á¶ÇÏ´Â ÀÌÀ¯: ¿ø µ¥ÀÌÅÍ 1-4kbps µðÁöÅÐ ½ÅÈ£·Î IR ´ÙÀÌ¿Àµå¸¦ º¯Á¶ÇÏ¸é °¨µµ°¡ ³ôÁö ¾ÊÀ½. ¸®¸ðÄÁ »çÀÌ¿¡ °£¼·ÀÌ »ý±è. ij¸®¾î Á֯ļö¸¦ ´Ù¸£°Ô ÇÏ¿© ¸®¸ðÄÁ »çÀÌ¿¡ °£¼· ¹æÁö
2) IR ¸®ÄÚÄÁ ¼Û¼ö½Å ȸ·Î

±×¸²: IR ¸®¸ðÄÁ ȸ·Î
R1 = 1k
R2 = 15-22k (15k resistor
+ 10k potmeter), 32-48kHz
R3 = 15 @ 5VDC, 200mA
peak, 35 @ 9VDC, 50 @ 12VDC
C1 = 1n
C2 = 47n
- MOD(4)¿¡ TTL µðÁöÅÐ µ¥ÀÌÅÍ ¿¬°á
- ¹ü¿ë ¼Û½Å±â ¼³°è: NE555 »ç¿ë
- ÀúÀü·Â ¼Û½Å±â ¼³°è: ICM7555 (CMOS·Î ±¸ÇöµÈ 555), Quad NAND CD4011¸¦ »ç¿ëÇÏ¿© gated oscillator ±¸Çö.
- 555: IR LED¸¦ º¯Á¶Çϱâ À§ÇÑ ÆÞ½º ¹ß»ý IC
- R1, R2,
C1: 555 IC Ãâ·Â Á֯ļö °áÁ¤
- C2: 555 ICÀÇ 5(CTRL)
´ÜÀÚ termination
- R3: ´ÙÀÌ¿ÀµåÀÇ Àü·ùÁ¦ÇÑ
3) 555 ŸÀÌ¸Ó »ç¿ë
¤· Çɾƿô

1: GND
2: TRIG.
Open ½Ã Àü¾Ð 2Vcc/3ÀÌ µÇ°í Ãâ·Â(3¹ø) low, Vcc/3 ÀÌÇÏÀÏ ¶§ Ãâ·Â high (Vcc-1.7V)
3: OUT.
Push-pull type.
4:
. Timing ½ÃÀÛÁ¡ ¸®¼Â. 0.7V ÀÌÇϰ¡ µÇ¸é 555ÀÇ ÀÌ ½ÃÁ¡ºÎÅÍ timing ´Ù½Ã ½ÃÀÛ
5: CTRL.
Control access to internal power divider (2Vcc/3 by
default). Normally not used. ¹Ì»ç¿ë½Ã 10nF¸¦ CTRL°ú GND »çÀÌ¿¡ ¿¬°á
6: THR. 2Vcc/3º¸´Ù Ŭ °æ¿ì 3¹ø OUT low
7: DIS.
Open-collector output. Ä¿ÆÐ½ÃÅ͸¦ ÅëÇØ Àü¾Ð¹æÀü °¡´É
8: VCC. 4.5-16V
¤· µ¿ÀÛ¸ðµå
Astable(free-running) mode: ¹ßÁø±â. pulse train, logic clock, tone, security alarm, PWM,
Monostable mode: One-shot pulse generator
Bistable (Schimitt trigger) mode:
flip-flop.
¤· 555¸¦ ÀÌ¿ëÇÑ ÆÞ½ºÆÄÇü »ý¼º
7(DIS)¹ø ÇÉ Àü¾Ð ÃæÀü: ÃæÀü ½ÃÀÛ ½Ã C Àü¾Ð 0. Vcc·ÎºÎÅÍ Àü¿øÀ» ¹Þ¾Æ R1À» ÅëÇØ ÃæÀü. ÀÌ ¶§ R1¿¡´Â 555 ICÀÇ 7¹ø ÇÉ ´ÜÀÚ¿Í (R2 + C)°¡ º´·Ä·Î ¿¬°áµÇ¾î ÀÖÀ½.
7(DIS)¹ø ÇÉ Àü¾Ð ¹æÀü: R2 + C¸¦ ÅëÇØ GND·Î ¹æÀü
6(THR)/2(TRIG) ÇÉ: Ä¿ÆÐ½ÃÅÍ Àü¾ÐÀÌ ÃæÀüµÇ¾î 2Vcc/3¿¡ µµ´ÞÇϸé OUT = low. ¹æÀüµÇ¾î Vcc/3¿¡ µµ´ÞÇϸé OUT = high
ÃæÀü/¹æÀü ½ÃÁ¤¼ö¸¦ Á¶Á¤ÇÏ¿© ¹ßÁø Á֯ļö¸¦ Á¶Á¤ÇÒ ¼ö ÀÖ´Ù.

4) Àû¿Ü¼± LED
¤· Vishay TSAL6200

72mW/sr @ 100mA,
¡¾17¨¬, 940nm, 15ns rise time
1.35V, 100mA

±×¸²: 1) Vishay TSAL6200ÀÇ Àü¾Ð-Àü·ù Ư¼º, 2) Vishay 1N4001 Á¤·ù ´ÙÀÌ¿Àµå Àü¾Ð-Àü·ù Ư¼º
5) Àû¿Ü¼± ¼ö½Å±â
¤· Vishay TSOP324xx Series
- 0.08-45m with TSAL6200 IR diode
- 2.5-5.5V/ 0.45mA, 30-56kHz (depending on type),
0.08mW/m2-30W/m2 irradiance
- xx: modulation frequency in kHZ
- Used with long burst codes (AGC4);
RC-5, RC-6, Panasonic, NEC, Sharp, r-step, Thomson RCA
- Optimized to suppress almost all spurious pulses
from energy saving lamps like CFLs.

±×¸²: Vishay TSOP3xx Àû¿Ü¼± ¼ö½Å Ĩ, 1) Çü»ó, 2) Schematic

±×¸²: Vishay Àû¿Ü¼± ¼ö½Å Ĩ TSOP3xx ÀÀ¿ëȸ·Î

±×¸²: Vishay Àû¿Ü¼± ¼ö½Å Ĩ TSOP3xx. 1) Á֯ļö Ư¼º, 2) ÁÖº¯ Àû¿Ü¼± Àü·Â¿¡ µû¸¥ ¼ö½Å °¨µµ

±×¸²: Vishay Àû¿Ü¼± ¼ö½Å Ĩ TSOP3xx. ±¤ÀÔ·Â ½ÅÈ£¿Í Ãâ·Â ½ÅÈ£


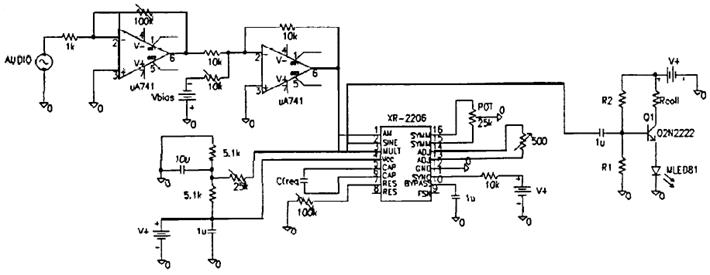
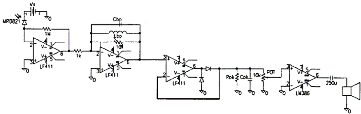
2. IR À½¼ºÅë½Å ȸ·Î
Âü°í¹®Çå: Loker, "Analog communication
using infrared transmission", PSU lecture note
¤· Àû¿Ü¼± Åë½Å ½Ç½À
1) ¼Û½Åȸ·Î
- ¾Æ·¡ ȸ·Î¸¦ PSpice·Î ½Ã¹Ä·¹ÀÌ¼Ç Ç϶ó.
ÀÔ·Â Vi : AUDIO·Î Ç¥½ÃµÈ ´ÜÀÚ. 100-20kHz ¹üÀ§ÀÇ Á¤ÇöÆÄ ½ÅÈ£, Å©±â Á¶Á¤ ÇÊ¿ä
Ãâ·Â Io : MLED81¿¡ È帣´Â Àü·ù

: Á֯ļö ¿µ¿ª Àü´Þ°è¼ö¸¦ 0-30kHz ¹üÀ§¿¡¼ plotÇ϶ó.
2) ¼ö½Åȸ·Î
- MRD821: Àü·ù¿øÀ¸·Î ±³Ã¼, Ii
; 100-20kHz ¹üÀ§ÀÇ Á¤ÇöÆÄ Àü·ù½ÅÈ£, Å©±â Á¶Á¤ ÇÊ¿ä
- ½ºÇÇÄ¿: 8§Ù ÀúÇ×À¸·Î ±³Ã¼, Vo![]()
: Á֯ļö ¿µ¿ª Àü´Þ°è¼ö¸¦ 0-30kHz ¹üÀ§¿¡¼ plotÇ϶ó.
